Нефть и песок О стали Компрессор - подбор и ошибки Из истории стандартизации резьб Соперник ксерокса - гектограф Новые технологии производства стали Экспорт проволоки из России Прогрессивная технологическая оснастка Цитадель сварки с полувековой историей Упрочнение пружин Способы обогрева Назначение, структура, характеристики анализаторов Промышленные пылесосы Штампованные гайки из пружинной стали Консервация САУ Стандарты и качество Технология производства Водород Выбор материала для крепежных деталей Токарный резец в миниатюре Производство проволоки Адгезия резины к металлокорду Электролитическое фосфатирование проволоки Восстановление корпусных деталей двигателей Новая бескислотная технология производства проката Синие кристаллы Автоклав Нормирование шумов связи Газосварочный аппарат для тугоплавких припоев
Главная --> Промиздат -->  Коэффициент поперечной деформации 

1 2 3 4 5 6 7 8 9 10 11 12 13 14 15 16 17 18 19 20 21 22 23 24 25 26 27 28 29 30 31 32 33 34 35 36 37 38 39 40 41 42 43 44 45 46 47 48 49 50 51 52 53 54 55 56 57 58 59 60 61 62 63 64 65 66 67 68 69 70 71 72 73 74 75 76 77 78 79 80 81 82 83 84 85 86 87 88 89 90 91 92 93 94 95 96 97 98 99 100 101 102 103 104 105 106 107 108 109 110 111 112 113 114 115 116 117 118 119 120 121 122 123 124 125 126 127 128 129 130 131 132 133 134 135 136 137 138 139 140 141 142 143 144 145 146 147 148 149 150 151 152 153 154 155 156 157 158 159 160 161 162 163 164 165 166 167 168 169 170 ( 171 ) 172 173 174 175 176 177 178 179 180 181 182 183 184 185 186 187 188 189 190 191 192 193 194 195 196 197 198 199 200 201 202 203 204 205 206 207 208 209 210 211 212 213 214 215 216 217 218 219 220 221 222 223 224 225 226 227 228 229 230 231 232 233 234 235 236 237 238 239 240 241 242 243 244 245 246 247 248 249 250 251 252 253 254 255 256 257 258 259 260 261 262 263 264 265 266 267 268 269 270 271 272 273 274 275 276 277 278 279 280 281 282

My и остаются непрерывными. При наличии в брусе нескольких таких участков вместо одного интеграла нужно вычислить интегралы по каждому из участков и взять их сумму.

Применяя теорему Кастильяно, искомое перемещение в направлении какой-либо из сил Р находим из выражения:

N dN М

дМ , My дМу . Mg дМЛ

EF дР GJ дР

EJy дР

EJ, дР J

dXi, (29.10).

Под Р и Ь здесь, конечно, понимается обобщённое усилие и соответствующее этому усилию обобщённое перемещение. Аналогично составляются формулы Мора и Верещагина.

Напоминаем, что все рассуждения в этом параграфе велись в предположении, что центр изгиба совпадает с центром тяжести поперечного сечения бруса. Выведенные здесь формулы должны быть несколько изменены для тех случаев, когда такое совпадение не имеет места (см. гл. XXX).

§Л70. Расчёт простейшего коленчатого вала.

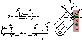
Рассмотрим расчёт коленчатого вала, некоторые части которого подвергаются одновременному действию продольных сил, крутящих и изгибающих моментов. Исследуем наиболее простой случай работы вала, имеющего только ОДНО колено (фиг. 455).


Ill ...

Фиг. 455.

Части вала Л и 5 называются коренными шейками; они расположены в подшипниках, которые мы будем считать шарнирными опорами; одна из них допускает горизонтальные перемещения. Шейка С вала называется мотылёвой. Шейки имеют круговое подеречное сечение с диаметром d; части вала, соединяющие коренные шейки с мотылёвой, называются щеками вала и имеют прямоугольное сечение шириной b и высотой h.

На мотылёвую шейку от шатуна передаётся давление Р, вращающее вал; момент этого давления относительно оси вала уравновешивается парой Мо, передающейся на вал от шкива, насаженного около коренной шейки В, Чтобы найти изгибающие и крутящие моменты во всех частях вала, разложим силу Р на две взаимно перпендикулярные составляющие: Ра в плоскости колена и Pi перпендикулярно к ней. Соответственно разлагаем на такие же составляющие и реакции подшипников А \i В. Их можно найти из условия, что все силы, лежащие в плоскости колена, должны уравновешиваться между собой, так же как и силы, лежащие в перпендикулярной плоскости. При вычислениях будем считать, что реакции подшипни-



§ 170]

РАСЧЁТ ПРОСТЕЙШЕГО КОЛЕНЧАТОГО ВАЛА

ков л и 5 и давление на мотылёвую шейку С приложены посредине длины соответствующих шеек.

На фиг. 456 изображена схема вала со всеми действующими на него силами. Разбивая вал на ряд участков (I-VII), при вычислении нормальных сил, изгибающих и крутящих моментов отнесём каждый из этих участков к своей прямоугольной системе координат дг, у, zi. Системы координат рас-положи! так, как это показано на фиг. 456. Начало координат каждой системы поместим в центре тяжести рассматриваемого сечения. Тогда силы Pj для

ft Ш


Фиг. 456.

каждого из участков будут нормальными силами, моменты вокруг осей Xi везде будут крутящими моментами, а моменты вокруг осей j; и -изгибающими моментами: Myi - в плоскости колена, а Mgi - в плоскости, перпендикулярной к плоскости колена.

Проводя ряд сечений вала и рассматривая всё время левую отсечённую часть, вычисляем значения нормальных сил, изгибающих и крутящих моментов для каждого участка вала. Эти вычисления сведены в таблицу 26. По данным таблицы 26 без затруднений могут быть построены эпюры изменения Mjcy My и Afjf для всего вала.

При проверке прочности, а равно и при определении размеров поперечных сечений, для каждого из участков вала необходимо установить опасное сечение, а в этом сечении - наиболее напряжённые точки.

Для шейки вала опасным сечением является сечение 5i на участке VI (см. таблицу 26), в котором к наибольшим изгибающим моментам

Мз, = + а и М, = -

добавляется ещё и крутящий момент

Mx - Piro. Результирующий изгибающий момент Ми равен:

М = }/* Mj, + М =/Pf +/1 == РI.



Таблица 26. Данные расчёта коленчатого вала.

Название части вала

Формулы для вычисления N, М, М и в различных сечениях

Шейка вала . . .

Левая щека . . .

Мотылёвая шейка

л-1 О а

--о~ о

+ -2-)

Pi / с \



1 2 3 4 5 6 7 8 9 10 11 12 13 14 15 16 17 18 19 20 21 22 23 24 25 26 27 28 29 30 31 32 33 34 35 36 37 38 39 40 41 42 43 44 45 46 47 48 49 50 51 52 53 54 55 56 57 58 59 60 61 62 63 64 65 66 67 68 69 70 71 72 73 74 75 76 77 78 79 80 81 82 83 84 85 86 87 88 89 90 91 92 93 94 95 96 97 98 99 100 101 102 103 104 105 106 107 108 109 110 111 112 113 114 115 116 117 118 119 120 121 122 123 124 125 126 127 128 129 130 131 132 133 134 135 136 137 138 139 140 141 142 143 144 145 146 147 148 149 150 151 152 153 154 155 156 157 158 159 160 161 162 163 164 165 166 167 168 169 170 ( 171 ) 172 173 174 175 176 177 178 179 180 181 182 183 184 185 186 187 188 189 190 191 192 193 194 195 196 197 198 199 200 201 202 203 204 205 206 207 208 209 210 211 212 213 214 215 216 217 218 219 220 221 222 223 224 225 226 227 228 229 230 231 232 233 234 235 236 237 238 239 240 241 242 243 244 245 246 247 248 249 250 251 252 253 254 255 256 257 258 259 260 261 262 263 264 265 266 267 268 269 270 271 272 273 274 275 276 277 278 279 280 281 282